服务热线:0578-2083999
简体中文
English
网站首页
关于中铭
中铭简介
组织架构
发展历程
荣誉证书
宣传视频
中铭画册
产品中心
技术实力
生产设备
检测设备
资质证书
新闻动态
公司新闻
产品知识
招贤纳士
人才理念
招聘岗位
客户服务
合作客户
营销网络
服务理念
联系我们
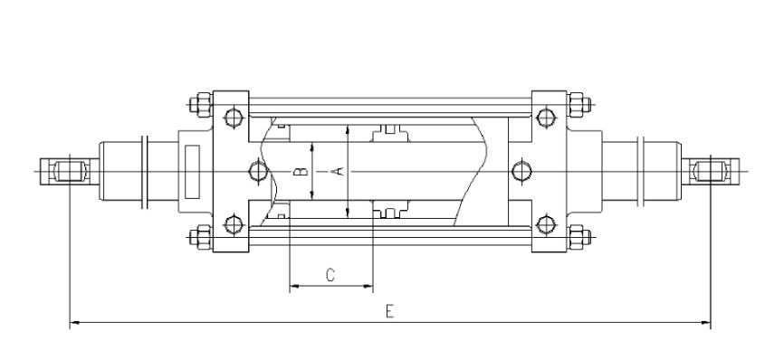
叉车油缸
发布时间: 2020-11-17 15:40
商品信息
上一个:
装载机油缸
下一个:
缸筒
挖掘机油缸
叉车油缸
港机油缸
旋挖钻、打桩机油缸
装载机油缸
缸盖
缸筒
缓冲套
活塞
螺母
活塞杆
特种装备
23
产品中心
PRODUCTS